由于能源供需矛盾的日益突出,节能是一个永恒不变的话题,电力行业更是如此。照明的消耗成为继空调、采暖电机之后的第三能源消耗大户。据统计表明在学校,照明能耗占到整个建筑物电量总能耗的25%~35%。由于大学开放型的管理模式,造成有时在借助外界环境能正常工作和夜晚室内空无一人时,整个房间内也是灯火通明。据测算,这种现象的耗电占其单位所有耗电的40%左右。因此,开发设计一种基于单片机的智能照明系统,在保证照明质量的前提下,不仅有明显的经济效益,而且可为智能化校园舔砖加瓦。
1 方案设计
在一个可以容纳几百人的大教室,使整个教室的照明可以达到智能控制的程度。照明系统有两种状态,一个是手动控制开关,此状态教室内灯分属于几个不同开关控制。这个只有在紧急的情况时才会采用此状态工作,另一个状态是全自动状态,在此状态工作时,每个电灯有其自己需照明的区域,各个区域的电灯互不干扰。在满足光亮强度达到一定数值时,照明系统处于锁定状态,即不管怎样电灯都不会亮。当光照强度低于一定数值时(即不能满足照明的需要),每个电灯测到属于其自己的监测范围内有人出现,即热释红外探测传感器模块探测到有人时,就会启动电灯。
本设计是希望根据教室具体的人数状况和光照强度,智能化的自动控制灯的开关,要达到此目的,有两种实现方案:方案一:此方案利用全硬件电路实现,硬件电路与传感器结合使用,来达到本设计需要实现的要求;方案二:此方案用以单片机为核心,结合红外传感器和光敏电阻来达到智能控制的目的。比较上述两种方案,方案一虽然简单但不能完全达到智能控制电路,方案二精确度较高、实现方便、软件设计也比较简单,且只要改变软件程序,便可以改变其功能,很方便,故本次设计采用了方案二。在方案二中,需要用到单片机、红外传感器、光敏电阻和模数转换器等来实现。
2 系统构成
单片机控制系统结合外围电路、红外线测量电路和光照强度测量电路组成。在综合考虑功能与价格的基础上选用AT89C51单片机作为主控制器。
本系统设计的中心环节就是检测人的存在和光照强度来确定是否需要照明。其中采用可实现非接触式测量,及抗干扰能力较强的热释电红外传感器作为判断自习室内是否有人的检测装置。它的测量波长范围为0.2-20μm,而人体发出的红外光波长为10μm[5][6]。为了提高对人体感知的灵敏度减少杂波的干扰,在传感器窗口上加了一块干涉滤波片,并添加了菲涅尔透镜来增大传感器的监测区域。当有人进入到感应区域内,人体本身所发出的红外光透过菲涅尔透镜被聚集后,根据距离的远近聚焦在远距离区、中距离区、近距离区不同区域内,红外光就会被红外探头所接收,探头可将光信号变成电信号,达到感知人的目的。光照强度的测量采用光敏电阻来实现。当光照强度高于100LUX(室内日光灯的一般强度),光敏电阻将系统闭锁,日光灯将不会受到室内红外检测信号的影响,照明电路不会启动;当光照强度高于100LUX(室内日光灯的一般强度),系统将根据红外检测信号来决定是否启用照明电路。系统还需要采用ADC0808模数转换器,实现将采集的模拟信号(光照强度和是否有人)转换为单片机可识别的数字信号。综上所述具体系统组成如图1所示。
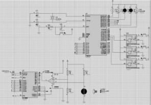
3 硬件电路
图2为系统总硬件电路图,其中包括外围电路,光照强度测量电路和红外线测量电路三部分。
3.1 单片机的外围电路
图1 系统组成图
AT89C51的基本外围电路由电源电路、时钟电路与复位电路等组成。
图2 系统总硬件电路图
其中电源电路采用全波整流电路,图中的二极管IN4007是用来防止输入端短路时输出端电容向LM317EMP放电的。220V市电经过降压后得到12V交流电,经二极管整流成脉动直流电,经过电容滤波后再又经过LM317EMP稳压得到5V的直流电供系统工作,1000uF的电容是起一个再次滤波的作用。
此设计用的是单片机的内部时钟,此时XTAL1和XTAL2分别接石英晶体的一端。51单片机内部各部件的运行都以时钟控制信号为基准,因此时钟频率将会直接影响单片机的速度,时钟电路质量直接影响系统的稳定性。电容典型值选择为30pF左右。晶振频率越高则系统时钟频率越高,单片机运行速度也越快。
本设计采用的是按钮复位,当用户需要复位时,按下“复位”按钮,便可使单片机进入复位状态。
3.2 红外线测量电路
本设计所用的热释电红外传感器就采用双探测元的结构。其工作电路原理及设计电路如图3所示,在VCC电源端利用C1和R7来稳定工作电压,同样输出端也多加了稳压元件稳定信号。当检测到人体移动信号时,电荷信号经NMESFET放大后,经过C2和R5的稳压后使输出变为高电位,再经过NPN的转化,输出OUT为低电平。
3.3 光照强度测量电路

图4 仿真效果图
图4所示为教室里人比较少时,光照强度低于设定值100LUX,可根据人的具体方位情况来决定各盏灯的实际开关的仿真效果图。
图3 程序流程图
4 调试与仿真
根据硬件电路方案,用C语言设计系统的程序。软件程序流程如图3所示。采用Keil uVision将C程序进行编译,生成.hex的文件。此文件可以在仿真软件PROTEUS中加载到其中的各元件中,实现仿真。
由于单纯的测量光照引起的电阻变化不是太明显,所以需要加上一个放大电路,实现对测量信号的放大,接下来是需要借助于模数转换器来实现将光电信号转换为单片机可以识别的数字信号。由于ADC0808的内部没有时钟电路,所需时钟信号由外界提供,因此有时钟信号引脚。通常使用频率为500kHz的时钟信号,在仿真系统中我们选用的是一个信号发生器,其产生500kHz的时钟信号。在实际应用中,可以用单片机内部时钟来实现。ADC0808将会输出8位的二进制的数字信号,此信号便可以直接接入到单片机内部。
仿真显示,在满足光亮强度达到一定数值时,照明系统处于锁定状态,即不管怎样电灯都不会亮。当光照强度低于一定数值时(即不能满足照明的需要),每个热释红外探测传感器模块探测到其监测范围内有人时,就会启动该传感器所属的电灯,且不会对其余区域的电灯造成影响。由此可见本设计具有可行性,能达到预期的目标,即证明了本设计的可实施性。
5 结束语
基于单片机的自习室智能照明系统,采用光敏电阻检测光照是否符合照明条件,热释电红外传感器检测是否有人,通过菲尼尔透镜可扩大传感器的感应范围,能够满足使用要求。经过仿真,系统可实现根据外界光照变化和有无人自动进行照明的分配,构成原理简单,方案可行。
